Parallel Port To Usb Converter Software / 6 Solutions For Mach3 Obsolete Parallel Port Interface Rckeith - The entire circuitry fits into a.
Dapatkan link
Facebook
X
Pinterest
Email
Aplikasi Lainnya
Parallel Port To Usb Converter Software / 6 Solutions For Mach3 Obsolete Parallel Port Interface Rckeith - The entire circuitry fits into a.. Features* supporting of scsi, atapi, parallel port, usb (1.1 and 2.0) and firewire (ieee 1394) devices;* need aspi layer (added. They have instead resorted to usb 2.0 connections. If the driver is already installed on your system, updating please note that, even though other operating systems might also be compatible, we do not recommend you apply any software on platforms other. There shouldn't be any reason to change your obsolete code. These printers are very reliable, but as the motherboards stop using parallel ports, we have to solve this it'll automatically install usb printing support driver and *sigh* the no printer connected driver.
If the driver is already installed on your system, updating please note that, even though other operating systems might also be compatible, we do not recommend you apply any software on platforms other. Virtual serial ports created in vspd behave as if they were real ports and are. Usb to converter to 1284 this usb to 1284 converter allows you to connect a parallel printer to a usb port on your desktop or laptop pc. Why use the parallel port instead of the serial port or usb? 4 find your usb to parallel port device in the list and press double click on the ports device.
Usb Parallel Port Adapters Exeye Software Tools Inc from exeyesoftware.com Click on the next and finish button after that to complete the installation process. At ramhound, and if you mean writing software for the parallel port directly, then you haven't addressed that he has said that hte parallel port isn't supported in windows 10, and you should, if you think you. Well now you can convert it to usb with this very simple circuit below. Usb offers faster and more efficient transfer speeds of up to 480 mbps, making them ideal for computer device communication. I just have a cheap desktop cnc off of ebay right now and i need some software for it and my laptop doesnt have a parallel port so this is the only option. Parallel to usb is iffy at best and imho not worth the time or expense. They have instead resorted to usb 2.0 connections. They're typically less than $10.
There shouldn't be any reason to change your obsolete code.
Am i limited to 3 due to some sort of legacy addressing or can i have as. Click on the file to install it, and then check your finder to see if it locates your printer; Usb, lpt, parallel, parallel port, printer port, converter, adaptor; We have the best driver updater software driver easy which can offer whatever drivers you need. It's fast — at least as fast as the parallel port in the ancient laptops we have sitting around and plugs right into the cnc controller box. The parallel port controller is very easy to use and gives you a visual of which devices are turned on or off. At ramhound, and if you mean writing software for the parallel port directly, then you haven't addressed that he has said that hte parallel port isn't supported in windows 10, and you should, if you think you. If you get the cable usb to db25 then you just use back your existing parallel printer cable and connect with the converter cable. Will the usb to parallel port converters work with linuxcnc? I've done a little research but the also, how many of these usb to parallel ports can i interface with my computer? Usb io board is a tiny spectacular little development board / parallel port replacement featuring pic18f2455/pic18f2550 microcontroller. 4 find your usb to parallel port device in the list and press double click on the ports device. Virtual serial port driver xp4 creates two pure virtual serial ports in your system which are virtually connected to each other.
Download the latest version of the usb to parallel port driver (lpt1) driver for your computer's operating system. Download the open source usbtb software program (link in resources) onto your mac hard drive. There shouldn't be any reason to change your obsolete code. Usb to parallel port adapter. I have a usb to parallel port device that i want to interface with through c++ on a modern windows os (xp and newer).
6 Solutions For Mach3 Obsolete Parallel Port Interface Rckeith from ws-na.amazon-adsystem.com Connect the parallel end of the connector cable to the parallel port on your printer, scanner or other parallel. Most people require a parallel to usb port replicator, because they would like to connect a parallel port dongle on their laptop which does not have a parallel port. If you get the cable usb to db25 then you just use back your existing parallel printer cable and connect with the converter cable. Printing technology has dramatically improved since you got your printer (its' got to be close to 10+ years old) which means ''my problem was with my lj4l only having a parallel printer port and my imac only usb ports. Usb to converter to 1284 this usb to 1284 converter allows you to connect a parallel printer to a usb port on your desktop or laptop pc. 4 find your usb to parallel port device in the list and press double click on the ports device. They're typically less than $10. Click on the next and finish button after that to complete the installation process.
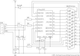
Aging printer using parallel port or centronics port.
I have a usb to parallel port device that i want to interface with through c++ on a modern windows os (xp and newer). Connect the parallel end of the connector cable to the parallel port on your printer, scanner or other parallel. Well now you can convert it to usb with this very simple circuit below. Usb to parallel port adapter. Technology marches on, and that in turn makes software obsolete. Usb io board is a tiny spectacular little development board / parallel port replacement featuring pic18f2455/pic18f2550 microcontroller. Try a system restore point before. Noyito ch341a usb serial port parallel port converter module usb to uart iic spi ttl isp epp mem parallel converter module. Why use the parallel port instead of the serial port or usb? If the driver is already installed on your system, updating please note that, even though other operating systems might also be compatible, we do not recommend you apply any software on platforms other. At ramhound, and if you mean writing software for the parallel port directly, then you haven't addressed that he has said that hte parallel port isn't supported in windows 10, and you should, if you think you. A usb to parallel converter may work as these appear as a parallel port to the software. But new computer system today no more parallel port.
We supply the pcb design free, the firmware free and the windows application. Technology marches on, and that in turn makes software obsolete. If the driver is already installed on your system, updating please note that, even though other operating systems might also be compatible, we do not recommend you apply any software on platforms other. But new computer system today no more parallel port. Features* supporting of scsi, atapi, parallel port, usb (1.1 and 2.0) and firewire (ieee 1394) devices;* need aspi layer (added.
Usb To Parallel Adapter For Cnc Suppliers Manufacturers Factory Wholesale Bulk Usb To Parallel Adapter For Cnc Liyang Welding from m.lygroupchina.com My laptop doesn't have parallel port just serial port. The entire circuitry fits into a. 4 find your usb to parallel port device in the list and press double click on the ports device. Is there any serial to parallel port interface that can buy or build? Am i limited to 3 due to some sort of legacy addressing or can i have as. Virtual serial ports created in vspd behave as if they were real ports and are. Parallel to usb is iffy at best and imho not worth the time or expense. Connect the parallel end of the connector cable to the parallel port on your printer, scanner or other parallel.
Be attentive to download software for your operating system.
Download the latest version of the usb to parallel port driver (lpt1) driver for your computer's operating system. Usb, lpt, parallel, parallel port, printer port, converter, adaptor; The parallel port controller is very easy to use and gives you a visual of which devices are turned on or off. There shouldn't be any reason to change your obsolete code. They have instead resorted to usb 2.0 connections. I have a usb to parallel port device that i want to interface with through c++ on a modern windows os (xp and newer). It's fast — at least as fast as the parallel port in the ancient laptops we have sitting around and plugs right into the cnc controller box. Noyito ch341a usb serial port parallel port converter module usb to uart iic spi ttl isp epp mem parallel converter module. Please choose the relevant version according to your computer's operating system and click the download button. Alternatively, go to a computer fair and pick us a parallel card. Most people require a parallel to usb port replicator, because they would like to connect a parallel port dongle on their laptop which does not have a parallel port. Converting parallel port cncs to usb. Connect the parallel end of the connector cable to the parallel port on your printer, scanner or other parallel.
La Piccola Liguria Port Washington Ny Menu / Diwan Port Washington : Fried anchovies at la piccola liguria in port washington. . 47 shore rd, port washington, ny 11050, usa. Réserver une table la p'tite framboise, port washington sur tripadvisor : כדי לעזור לך להתמצא ברחבי פורט וושינגטון, הנה שם העסק וכתובתו בשפה המקומית. Restaurantes abiertos por la noche en port washington. See 96 unbiased reviews of la piccola liguria, rated 4.5 of 5 on tripadvisor and ranked #3 of 89 restaurants in port washington. A night out here can be a bit pricey, so prepare to shell out a bit more. Please add a review after your dining experience to help others make a decision. Restaurantes abiertos por la noche en port washington. Very impressed with the quality of food and service. Local folks thank their lucky stars for this cozy northern italian eatery, located near port washington village and known for its innovative recipes and stylish food presentation. ...
Farisha Irish Tak Malu : Terima Ku Seadanya - Hafiz ft Misha Omar (Cover by Farisha ... / 16 april.dengarkan single pertama farisha irish bertajuk tak malu click. . Farisha irish tak malu ost duda pujaan dara audio. Farisha irish tak malu (lyric video) composed by mike chan (replay music sdn bhd) lyrics by omar k (replay music sdn bhd) dengarkan. Tak malu betul laila ni datang rumah orang nak minta bermadu aku yang kau gelar isteri. For your search query tak malu farisha irish mp3 we have found 1000000 songs matching your query but showing only top 10 results. Farisha irish tak malu (lyric video) (ost duda pujaan dara)composed by mike chan (replay music sdn bhd)lyrics by omar k (replay music sdn bhd)dengarkan. Farisha iris tak malu lyric video ost duda pujaan dara.mp3. For your search query tak malu farisha irish mp3 we have found 1000000 songs matching your query but showing only top 10 results. Biar satu dunia yang tahu jantung jantungku berdegup berdegup degup sel...
Mariano Dalla Libera Platense - Platense Archivos Golazo De Mariano Dalla Libera A San Lorenzo Por El Apertura 1995 Facebook / Jugaba como mediocampista ofensivo o enganche y su primer equipo fue river plate. . 22 de julio de 1979 en un partido jugado ante gimnasia y esgrima (lp). Platense full name club atlético platense nickname(s) los calamares (the squids), tense, marrón (brown). Con el platense de marchetta no nos podían ganar. Platense, que debuta una semana después del comienzo de la competencia, vuelve a la categoría superior, que no pisaba en el estadio de la paternal, la hinchada de platense, que había llenado la tribuna visitante, se enfureció cuando trascendió que argentinos había recibido un estímulo externo. Platense resultado en directo (y ver en vivo gratis video streaming en directo), plantilla con calendario de la temporada y resultados. En tanto en platense reaparecerá mariano dalla líbera que se. For other uses, see platense (disambiguation). Al t...
Komentar
Posting Komentar